可变光阑电子快门
产品介绍:转子驱动可变光阑快门是优秀小空间应用产品。具有单叶片和多叶片结构满足空间应用需求。常用于夜视,热成像,红外成像和实验室研究应用。可在极端环境下,产品可以抗振动冲击,能够连续运行几百万次,快门支持电池供电的集成应用。产品特点:l 易于开发定制产品l 极端工作温度(-40°C to +70°C)l 仅当桨叶移动时消耗电能l 非常轻,几乎没有活动部件l 高扭矩鲁棒驱动器产品应用:l 夜视l 热
- 产品名称: 可变光阑电子快门
- 合作厂商: CVI
产品介绍:转子驱动可变光阑快门是优秀小空间应用产品。具有单叶片和多叶片结构满足空间应用需求。常用于夜视,热成像,红外成像和实验室研究应用。可在极端环境下,产品可以抗振动冲击,能够连续运行几百万次,快门支持电池供电的集成应用。产品特点:l 易于开发定制产品l 极端工作温度(-40°C to +70°C)l 仅当桨叶移动时消耗电能l 非常轻,几乎没有活动部件l 高扭矩鲁棒驱动器产品应用:l 夜视l 热
产品介绍:
转子驱动可变光阑快门是优秀小空间应用产品。具有单叶片和多叶片结构满足空间应用需求。常用于夜视,热成像,红外成像和实验室研究应用。可在极端环境下,产品可以抗振动冲击,能够连续运行几百万次,快门支持电池供电的集成应用。
产品特点:
l 易于开发定制产品
l 极端工作温度(-40°C to +70°C)
l 仅当桨叶移动时消耗电能
l 非常轻,几乎没有活动部件
l 高扭矩鲁棒驱动器
产品应用:
l 夜视
l 热成像
l 红外成像
l 实验室光快门
产品参数:
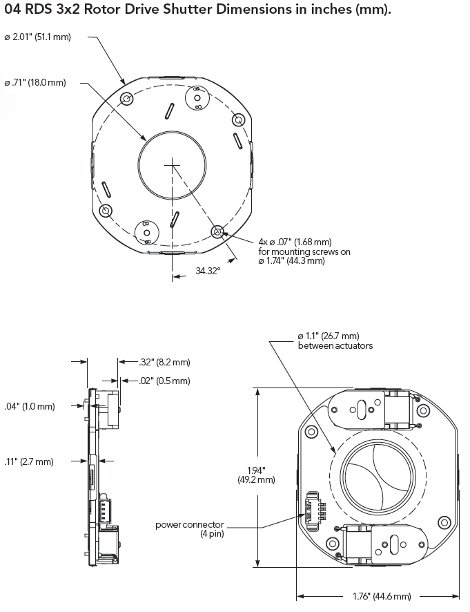
型号 | 口径mm | 驱动电流 | 驱动电压Vdc | 速度ms | 叶片数 | 数量 |
叶片快门(不需要持续供电) | ||||||
04 RDS 332 | 18 | ±660¹/±330² | 3¹/6² | 20 | 2 | each |
04 RDS 002 | 26.7 | ±450¹/±225² | 9¹/18² | 20 | 2 | each |
04 RDS 032 | 26.7 | ±660¹/±330² | 3¹/6² | 20 | 2 | each |
04 RDS 004 | 35 | ±280¹/±140² | 5.6¹/11.2² | 35 | 4 | each |
04 RDS 005 | 58 | ±1120¹ | 9¹ | 30 | 5 | each |
1 For a parallel-wired shutter
2 For a series-wired shutter


